HEAVY stumbling on acceleration - no code
I don't have the Max at the house (son has it at school), but it looks like it's marked "Engine Control" in the relays box under the hood. It's brown so you could swap it out with one of the other brown relays in the same box (ie. Rad Fan 3).
Make sure it is reseated properly before trying to do any testing.
If you know how to use the light tester it will read or light up if you have voltage going through and if it does not light up the that's where the breakage will would be at. The main fuses and relays are under the hood by the battery side. The colors are on the relays are blue,brown colors. Be cautious when your working the relays. We have some electrician magicians here.
Lucky for you.... Wifey's home!
So..... I was wrong about the color. And what it's called. I'm thinking our 99's are different. Funny, the last year of this generation, they employ changes. Most likely most are now part of the 5th Gens. We waz Guinea Pigs!
It's a 75 amp relay in the box between the battery and fender. It's the relay closest to the windshield. (Left side in pics)
There are no other 75 amp relays in this box. Like I said in the previous post, look in the box on the passenger side for another 75 amp relay you can borrow temporarily. I don't know if there are any, so look and make sure it has the same markings.
So..... I was wrong about the color. And what it's called. I'm thinking our 99's are different. Funny, the last year of this generation, they employ changes. Most likely most are now part of the 5th Gens. We waz Guinea Pigs!

It's a 75 amp relay in the box between the battery and fender. It's the relay closest to the windshield. (Left side in pics)
There are no other 75 amp relays in this box. Like I said in the previous post, look in the box on the passenger side for another 75 amp relay you can borrow temporarily. I don't know if there are any, so look and make sure it has the same markings.
Lucky for you.... Wifey's home!
So..... I was wrong about the color. And what it's called. I'm thinking our 99's are different. Funny, the last year of this generation, they employ changes. Most likely most are now part of the 5th Gens. We waz Guinea Pigs!
It's a 75 amp relay in the box between the battery and fender. It's the relay closest to the windshield. (Left side in pics)
There are no other 75 amp relays in this box. Like I said in the previous post, look in the box on the passenger side for another 75 amp relay you can borrow temporarily. I don't know if there are any, so look and make sure it has the same markings.
So..... I was wrong about the color. And what it's called. I'm thinking our 99's are different. Funny, the last year of this generation, they employ changes. Most likely most are now part of the 5th Gens. We waz Guinea Pigs!

It's a 75 amp relay in the box between the battery and fender. It's the relay closest to the windshield. (Left side in pics)
There are no other 75 amp relays in this box. Like I said in the previous post, look in the box on the passenger side for another 75 amp relay you can borrow temporarily. I don't know if there are any, so look and make sure it has the same markings.
I did, however, find two dead relays under the dash - one for the blower motor and one for the ignition. No click and no continuity. See attached pics. Back outside to test that 75 amp guy!
Test leads:

Fuses pulled from under the dash:

Hayne's manual diagram of relay box locations:

Edit: Ok - went back outside. That 75amp guy appears to be a fuse! But it's definitely big enough to look like a relay
And I think mine is in OK shape. Here is the battery ignition fuse:

Here are all the fuses that are in there:

Didn't pull the little guys but they all appear to be in good shape!
I hope that I've uncovered the culprit here... I've already cracked open a beer to celebrate
But two dead fuses are worth a beer either way.Rock Auto's got 'em for $10.88 a piece - looks like the same manufacturer as OEM (Miyamoto). Overnighting these puppies. Perhaps there will still be time to do my lower control arms before I leave for business... Fingers crossed...
Last edited by Shrout1; Apr 2, 2017 at 04:14 PM.
It's actually not a relay, it's a fusible link...... I think they're messing with us! LOL
http://www.ebay.com/itm/OEM-NEW-75-A...-/201181995115
I'm sure you can test it with a continuity tester.
So, there is a third blue relay by the two you removed. Unless it's required to run this Beotch, put it in the ignition relay spot for now! No blower for you!
LOL
http://www.ebay.com/itm/OEM-NEW-75-A...-/201181995115
I'm sure you can test it with a continuity tester.
So, there is a third blue relay by the two you removed. Unless it's required to run this Beotch, put it in the ignition relay spot for now! No blower for you!
LOL

So what about the accessory relay?? Does that matter if I pull it? Also I am *assuming* that the order listed in the Hayne's manual is the actual order of the relays under the dash.
Maybe....
Pull it and put it in the next one up. (IIRC that's the Ignition Relay spot). If that doesn't work, move it to the top. If that doesn't work. NEXT!
But replace the 2 bad ones nonetheless.
It will take you two minutes to determine if you found the problem. Five if you had too many beers in celebration (prematurely).
Let us know!
Pull it and put it in the next one up. (IIRC that's the Ignition Relay spot). If that doesn't work, move it to the top. If that doesn't work. NEXT!
But replace the 2 bad ones nonetheless.
It will take you two minutes to determine if you found the problem. Five if you had too many beers in celebration (prematurely).

Let us know!
Ok, that's good you found the ignition relay that was obviously toasted and not making any connections. The ignition system not cycling current to get the car running. Since your in their check anything else similar since the relay blew. The accessories relay is just an electrical outlet for the cigarette lighter and other accessories in the car.
Maybe....
Pull it and put it in the next one up. (IIRC that's the Ignition Relay spot). If that doesn't work, move it to the top. If that doesn't work. NEXT!
But replace the 2 bad ones nonetheless.
It will take you two minutes to determine if you found the problem. Five if you had too many beers in celebration (prematurely).
Let us know!
Pull it and put it in the next one up. (IIRC that's the Ignition Relay spot). If that doesn't work, move it to the top. If that doesn't work. NEXT!
But replace the 2 bad ones nonetheless.
It will take you two minutes to determine if you found the problem. Five if you had too many beers in celebration (prematurely).

Let us know!

I shorted my test leads together yesterday (silly alligator clips) and (at the time) figured it hadn't hurt anything. Today I ran a continuity test on both leads and the negative lead was fried.
So I stripped some old speaker cable, checked it for continuity and moved the alligator clips to the new wire.Re-ran the tests *without* shorting any wires and sure enough the relays work. Click and continuity. Ugh.
I also tested the fusible link (75amp) for continuity and it passed.
So I'm not sure where to go. I'm by no means an electrician so I don't know how to properly read the wiring diagrams in the Hayne's manual or the FSM.
Ugh ugh ugh. I don't want to give up but I'm thinking about getting it towed. Guessing it's going to be a fair amount of $$$ in diagnostics.
Edit: Nevermind about the EL section! Can't find a workable solution to attach a PDF larger than 5.0 mb at the moment.
Last edited by Shrout1; Apr 3, 2017 at 03:54 PM.
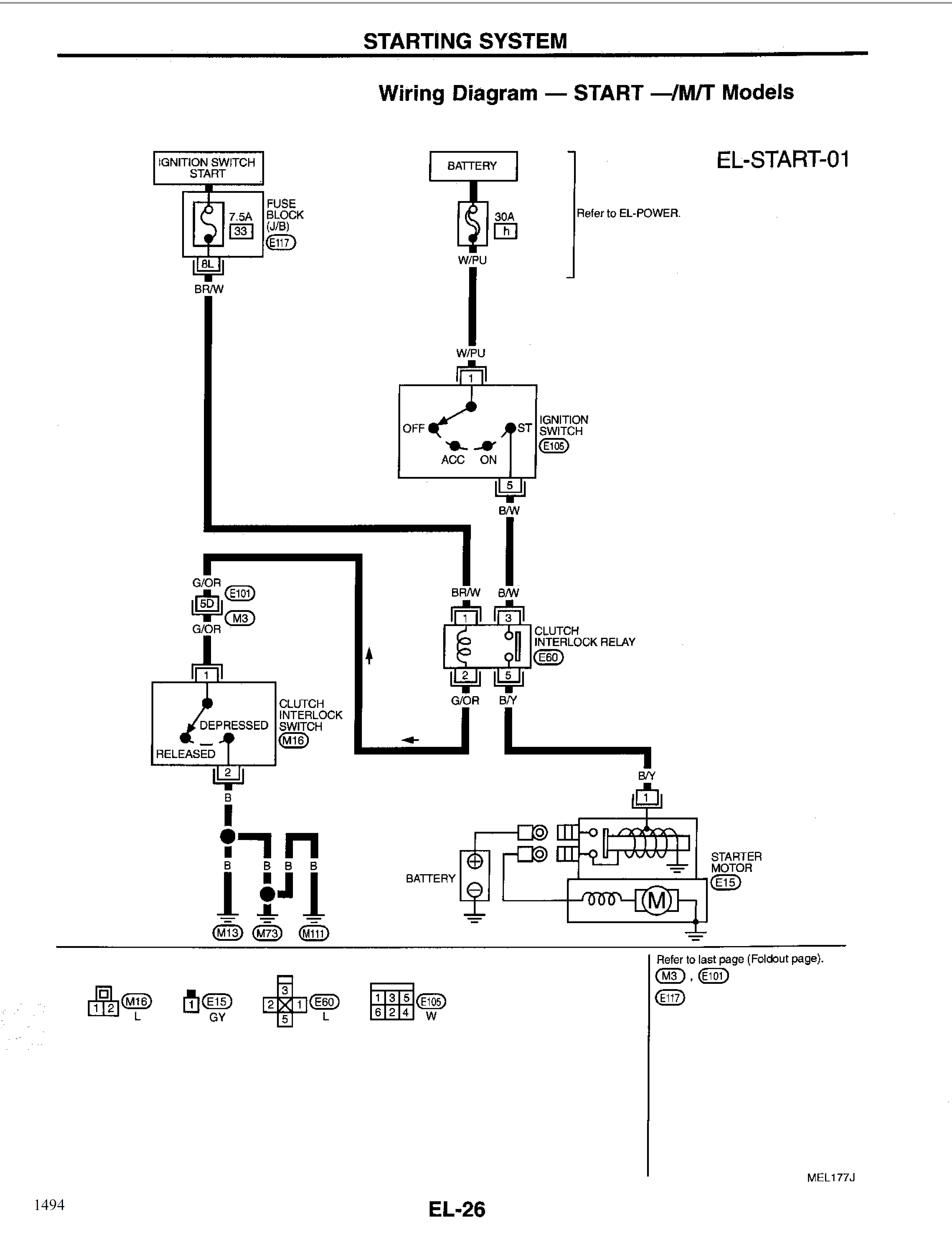
Starting system from the FSM for my 5 speed:

Attached the EL section but I split it with 7zip. If you'd like to reconstruct it there are two steps:
1) Remove the last ".pdf" from both of these files. You may have to enable extensions in windows
2) Download & install 7 zip then use it to open EL.pdf.001 (this is the filename AFTER the last extension has been removed) Both files must be in the same folder together.
Sorry there's no easier way.

Attached the EL section but I split it with 7zip. If you'd like to reconstruct it there are two steps:
1) Remove the last ".pdf" from both of these files. You may have to enable extensions in windows
2) Download & install 7 zip then use it to open EL.pdf.001 (this is the filename AFTER the last extension has been removed) Both files must be in the same folder together.
Sorry there's no easier way.
Last edited by Shrout1; Apr 3, 2017 at 05:18 PM.
Since you don't know when your leads puked, do you think you should test voltage at the injectors again? Coil pack(s)?
I'll post this link again. Just in case you're overlooking a broken hood, trunk or door jam sensor (or any other sensor that prevents starting)
http://forums.nicoclub.com/99-infini...m-t543802.html
I'll post this link again. Just in case you're overlooking a broken hood, trunk or door jam sensor (or any other sensor that prevents starting)
http://forums.nicoclub.com/99-infini...m-t543802.html
Since you don't know when your leads puked, do you think you should test voltage at the injectors again? Coil pack(s)?
I'll post this link again. Just in case you're overlooking a broken hood, trunk or door jam sensor (or any other sensor that prevents starting)
http://forums.nicoclub.com/99-infini...m-t543802.html
I'll post this link again. Just in case you're overlooking a broken hood, trunk or door jam sensor (or any other sensor that prevents starting)
http://forums.nicoclub.com/99-infini...m-t543802.html
The negative lead fried yesterday after my first relay test - that is when I shorted the positive and negative leads together. These are not the leads from the multimeter; these are the separate leads I took the picture of. They have alligator clips on the ends. I was using them to send 12v power to the relay from the battery.
After rerunning those tests with the new negative lead I am at the point I was before testing the relays. I do know that the 75 amp fusible link looks good though.
If you have power to the MAF, no spark and no pulse at the injectors, and relays and fuses are good, the only thing that can affect that is the security system or the ECU.
Troubleshoot the security system thoroughly next. Hard lockout is solid red, but it appears there are lesser degrees that prevent start. (Link in previous post)
Now, are you sure how you tested the coils for spark is the proper way? Same with the injectors? I've never done either on mine, so I'd make sure I had the definitive procedure. Injectors get a pulse, so I'm not sure how a DMM reads that? Wrong findings keeps you spinning all over the place, so just make sure there's no doubt. And if it is the case there's no spark or injectors, see above.
Maybe there are more possibilities that can create these conditions, but these two are what pop into my head. Find the troubleshooting flow chart to see if there are more. And/or how to do the two above most effectively.
I'm starting to see your nice nose on my car. Rims will look good too! As much as this would be good for me, DON'T let it happen. Next I'll want your Mustang!
LOL I haven't even begun to think about the voodoo spell on that!
Nail it already!
Then I'll have a beer with ya! From here of course!
Troubleshoot the security system thoroughly next. Hard lockout is solid red, but it appears there are lesser degrees that prevent start. (Link in previous post)
Now, are you sure how you tested the coils for spark is the proper way? Same with the injectors? I've never done either on mine, so I'd make sure I had the definitive procedure. Injectors get a pulse, so I'm not sure how a DMM reads that? Wrong findings keeps you spinning all over the place, so just make sure there's no doubt. And if it is the case there's no spark or injectors, see above.
Maybe there are more possibilities that can create these conditions, but these two are what pop into my head. Find the troubleshooting flow chart to see if there are more. And/or how to do the two above most effectively.
I'm starting to see your nice nose on my car. Rims will look good too! As much as this would be good for me, DON'T let it happen. Next I'll want your Mustang!
LOL I haven't even begun to think about the voodoo spell on that!Nail it already!
Then I'll have a beer with ya! From here of course!
If you have power to the MAF, no spark and no pulse at the injectors, and relays and fuses are good, the only thing that can affect that is the security system or the ECU.
Troubleshoot the security system thoroughly next. Hard lockout is solid red, but it appears there are lesser degrees that prevent start. (Link in previous post)
Now, are you sure how you tested the coils for spark is the proper way? Same with the injectors? I've never done either on mine, so I'd make sure I had the definitive procedure. Injectors get a pulse, so I'm not sure how a DMM reads that? Wrong findings keeps you spinning all over the place, so just make sure there's no doubt. And if it is the case there's no spark or injectors, see above.
Maybe there are more possibilities that can create these conditions, but these two are what pop into my head. Find the troubleshooting flow chart to see if there are more. And/or how to do the two above most effectively.
I'm starting to see your nice nose on my car. Rims will look good too! As much as this would be good for me, DON'T let it happen. Next I'll want your Mustang!
LOL I haven't even begun to think about the voodoo spell on that!
Nail it already!
Then I'll have a beer with ya! From here of course!
Troubleshoot the security system thoroughly next. Hard lockout is solid red, but it appears there are lesser degrees that prevent start. (Link in previous post)
Now, are you sure how you tested the coils for spark is the proper way? Same with the injectors? I've never done either on mine, so I'd make sure I had the definitive procedure. Injectors get a pulse, so I'm not sure how a DMM reads that? Wrong findings keeps you spinning all over the place, so just make sure there's no doubt. And if it is the case there's no spark or injectors, see above.
Maybe there are more possibilities that can create these conditions, but these two are what pop into my head. Find the troubleshooting flow chart to see if there are more. And/or how to do the two above most effectively.
I'm starting to see your nice nose on my car. Rims will look good too! As much as this would be good for me, DON'T let it happen. Next I'll want your Mustang!
LOL I haven't even begun to think about the voodoo spell on that!Nail it already!
Then I'll have a beer with ya! From here of course!I may take each and every relay out of this car and test them. I have a better set of test leads coming tomorrow that have a rubber sheath around them.
Is there any way to tell whether or not the ECU is failing? Electrical diagnostics are still a bit black magic to me; I don't know how to chase them back to the source.
If it was the security system I feel like we'd see that light, but these symptoms remind me of what happened in October when I had to get the dealer to reset the ECU. Wish I'd have paid closer attention to what was going on but I was frenzied and we had to get back home. Don't think I'll be taking this one on any long road trips anymore...
Giving it to god! Almost literally... My local mechanics are a Mennonite family and they are *the best*. Two weeks til my next trip and the end of my current course - time's up!
Paid $75 to get her towed this morning and we shall see what the verdict is. Sad to stop working on it but I have way too much to focus on before I leave. I'll be out of state for about 6 weeks, so I need to get this wrapped up.
Will post results!
Paid $75 to get her towed this morning and we shall see what the verdict is. Sad to stop working on it but I have way too much to focus on before I leave. I'll be out of state for about 6 weeks, so I need to get this wrapped up.
Will post results!
this is what i think it is when my revs looked like that it was a vacumm leak, also could be a bad ground
Last edited by krismax; Apr 4, 2017 at 02:47 PM.
I get home this Sunday. Detailed report then? 
I called the shop and they said my crank sensor was bad and there was no fuel pressure. Odd that there was no fuel pressure because I *just* replaced the fuel filter before getting it towed and gas sprayed everywhere when I cut the line. Perhaps something I did is obstructing the fuel flow... Replaced all the hose and made sure that the new filter was set to flow in the same direction. Drove the car about 2 miles after swapping the filter out.
Any recommendations on a reasonably priced fuel pump? The spectra pump that's in there only has 5000 miles on it, but I'm not against replacing it. This shop is awesome and they said they're fine with me replacing the pump on their lot. I'd love an ACDelco or something decent.... Loathe to spend $100 but I need something by next Monday and it needs to last for another 50-70k miles.
I'll let them take care of the crank sensor and, hopefully, I'll be back on the road. Could have been a failing fuel pump... I've heard of Spectra pumps going bad in 6 months.
Last edited by Shrout1; Apr 27, 2017 at 08:53 AM.
I went away on business!
I get home this Sunday. Detailed report then? 
I called the shop and they said my crank sensor was bad and there was no fuel pressure. Odd that there was no fuel pressure because I *just* replaced the fuel filter before getting it towed and gas sprayed everywhere when I cut the line. Perhaps something I did is obstructing the fuel flow... Replaced all the hose and made sure that the new filter was set to flow in the same direction. Drove the car about 2 miles after swapping the filter out.
Any recommendations on a reasonably priced fuel pump? The spectra pump that's in there only has 5000 miles on it, but I'm not against replacing it. This shop is awesome and they said they're fine with me replacing the pump on their lot. I'd love an ACDelco or something decent.... Loathe to spend $100 but I need something by next Monday and it needs to last for another 50-70k miles.
I'll let them take care of the crank sensor and, hopefully, I'll be back on the road. Could have been a failing fuel pump... I've heard of Spectra pumps going bad in 6 months.
I get home this Sunday. Detailed report then? 
I called the shop and they said my crank sensor was bad and there was no fuel pressure. Odd that there was no fuel pressure because I *just* replaced the fuel filter before getting it towed and gas sprayed everywhere when I cut the line. Perhaps something I did is obstructing the fuel flow... Replaced all the hose and made sure that the new filter was set to flow in the same direction. Drove the car about 2 miles after swapping the filter out.
Any recommendations on a reasonably priced fuel pump? The spectra pump that's in there only has 5000 miles on it, but I'm not against replacing it. This shop is awesome and they said they're fine with me replacing the pump on their lot. I'd love an ACDelco or something decent.... Loathe to spend $100 but I need something by next Monday and it needs to last for another 50-70k miles.
I'll let them take care of the crank sensor and, hopefully, I'll be back on the road. Could have been a failing fuel pump... I've heard of Spectra pumps going bad in 6 months.
Advance Auto Online
Part number: FUP0015 for $65.53 after discount
Fuel Pump Sending Unit Lock Ring: 579-019 for $9.14 after discount
Another Misc Item $1.49 that netted to .97.
Total before Discount $114.
Used TRT41 online discount code received $40 off.
Free Shipping
Net Cost after Tax $82.07
Any tips on replacing the pump? I've watched a couple videos but never done it myself.
Thanks!! I looked at Advanced but shipping was 11-13 business days :P I'm only home for 3 days next week, so I picked it up from Amazon. I paid about $12 more than you, but it will arrive with enough time for me to fix it (I hope!)
Any tips on replacing the pump? I've watched a couple videos but never done it myself.
Any tips on replacing the pump? I've watched a couple videos but never done it myself.
Also, when either the Crank Position sensor and/or the Cam Position sensors are bad, you'll get no pulse at the fuel injectors. So many ambiguous dotted lines to diagnosing these!
I hope this helps!
Last edited by KP11520; Apr 27, 2017 at 04:16 PM.
There are several things that can make the fuel pump appear dead, other than it being so. Find the checklist and rule them out first. (Fuses, Fuel Pump Relay, Fuel Pump Control Module at the least. ECU controls both)
Also, when either the Crank Position sensor and/or the Cam Position sensors are bad, you'll get no pulse at the fuel injectors. So many ambiguous dotted lines to diagnosing these!
I hope this helps!
Also, when either the Crank Position sensor and/or the Cam Position sensors are bad, you'll get no pulse at the fuel injectors. So many ambiguous dotted lines to diagnosing these!
I hope this helps!
They throw a code though when bad (usually) right?
I know the 99's have two crank position sensors? Not sure about 95 to 98. One on the bell housing near the transmission (driver's side of the crossmember by the motor mount) (POS) code 1335 and one below the front crank seal (Ref) code 0407. If either is bad or the cam position sensor... No FI pulse.
Give me time to swap the nose and some other parts before burning with the old sofa on top..... PLEASE! LOL
IOW....Good luck!
I know the 99's have two crank position sensors? Not sure about 95 to 98. One on the bell housing near the transmission (driver's side of the crossmember by the motor mount) (POS) code 1335 and one below the front crank seal (Ref) code 0407. If either is bad or the cam position sensor... No FI pulse.
Give me time to swap the nose and some other parts before burning with the old sofa on top..... PLEASE! LOL
IOW....Good luck!
You know what else will keep a fuel pump from working? When it has no gas :P
I thought it might be part of the problem, brought 2 gallons of gas and she fired right up! I drove it all the way home and have started it several times. Hoorah!
So so it looks like the crank position sensor gradually failed but didn't throw a code. In the meantime it got a new MAF, new fuel filter and a heck of a lot of troubleshooting. The shop had a tough time figuring it out as well, so they spent 4 hours on it plus who knows where they got the part. Total was $350. Considering how vague this particular problem was, I'm not surprised it took them some time to figure it out. I'm just glad she's back!
I'm off on business again this week, I'll be swapping out my lower control arms
in June most likely. Be ready
Thank you all! You are too kind, all of you.
I thought it might be part of the problem, brought 2 gallons of gas and she fired right up! I drove it all the way home and have started it several times. Hoorah!
So so it looks like the crank position sensor gradually failed but didn't throw a code. In the meantime it got a new MAF, new fuel filter and a heck of a lot of troubleshooting. The shop had a tough time figuring it out as well, so they spent 4 hours on it plus who knows where they got the part. Total was $350. Considering how vague this particular problem was, I'm not surprised it took them some time to figure it out. I'm just glad she's back!
I'm off on business again this week, I'll be swapping out my lower control arms
in June most likely. Be ready

Thank you all! You are too kind, all of you.




